ÃÀ¸ß÷
ÓªÒµ×Éѯ
Öйú£º
Email: marketing@medicilon.com.cn
ÓªÒµ×ÉѯרÏߣº400-780-8018
£¨½öÏÞЧÀÍ×Éѯ£¬£¬£¬£¬ÆäËûÊÂÒËÇ벦´ò´¨É³×ܲ¿µç»°£©
´¨É³×ܲ¿µç»°: +86 (21) 5859-1500
ÍâÑó£º
+1(781)535-1428(U.S.)
0044 7790 816 954 (Europe)
Email:marketing@medicilon.com



ÃÀ¸ß÷Á÷ʽ·Öѡƽ̨»ùÓÚÁ÷ʽϸ°ûÊõµÄ¼¼Êõ»ù´¡£¡£¡£¬£¬£¬£¬Æ¾Ö¤¿ÅÁ£ÌØÕ÷ʵÏÖϸ°û·ÖÑ¡¶øÆÕ±éÓ¦ÓÃÓÚÃâÒßѧ¡¢Ï¸°ûÉúÎïѧ¡¢Ö×Áöѧ¡¢ÑªÒºÑ§¡¢Ò©Î↑·¢ÒÔ¼°ÇéÐμì²âµÈ¸÷·½Ãæ¿ÆÑ§Ñо¿ºÍÊÂÇéÖС£¡£¡£
ÃÀ¸ß÷Á÷ʽÍŶӾßÓи»ºñµÄʵÑé²Ù×÷¡¢Á÷ʽ·ÖѡҪÁ쿪·¢ºÍÊý¾ÝÆÊÎöÂÄÀú¡£¡£¡£Æ½Ì¨Å䱸ÓÐSONYÁ÷ʽϸ°û·ÖÑ¡ÒÇ£¬£¬£¬£¬¿ÉͬʱÆôÓöà´ï6ÖÖÑÕÉ«µÄ·ÖÑ¡£¡£¡£¬£¬£¬£¬Äܹ»Öª×ã¿Í»§ÌØÊâ¿ÆÑкͷÖÑ¡ÐèÒª¡£¡£¡£
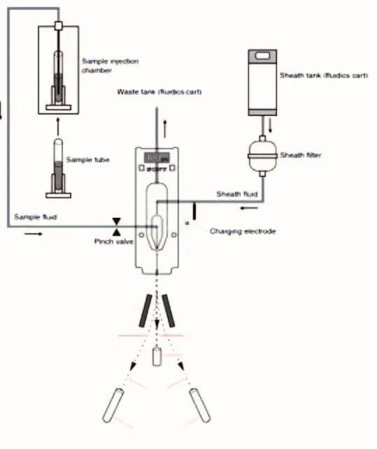
ϸ°û·ÖÑ¡£¡£¡£¨cell sorting£©ÊÇÆ¾Ö¤Ï¸°ûËù¾ßÓеÄÌØÕ÷½«Ä³ÖÖÌØ¶¨µÄϸ°ûÑÇȺ´Ó»ìÏýµÄϸ°ûÑùÆ·ÖÐÊèÉ¢³öÀ´µÄÒ»ÖÖ¼¼Êõ£¬£¬£¬£¬ÊÇϸ°ûѧÑо¿µÄÖ÷Òª¿ÎÌâ¡£¡£¡£
ÔÚÐèÒª¶ÔijÖÖÌØ¶¨µÄϸ°û¾ÙÐй¦Ð§ÆÊÎöʱ£¬£¬£¬£¬Èç¶Ôϸ°û×÷ÓýÉÏÇåҺͨ¹ýELISAÆÊÎö¼ì²âϸ°û·Ö×Ó¡¢Ï¸°û¹²×÷Óý¼ì²âϸ°û¹¦Ð§µÈÑо¿¶¼ÒÔ»ñµÃ¸ß´¿¶ÈµÄÄ¿µÄϸ°ûΪÌõ¼þ¡£¡£¡£
Á÷ʽϸ°û·ÖÑ¡ÊÇÔÚÁ÷ʽϸ°ûÊõ¼ì²âϸ°û±íÐ͵Ļù´¡ÉÏ£¬£¬£¬£¬Ê¹Óóäµç·ÖÑ¡¼¼ÊõÒÔʵÏÖ¶àÖÖÌØ¶¨±íÐÍϸ°ûµÄÊèÉ¢¡£¡£¡£¾ßÓзÖÑ¡²ÎÊý¶à¡¢ÈºÌå¶à¡¢´¿¶È¸ß¡¢ÎÞаÐÔÇ¿µÈÓÅÊÆ¡£¡£¡£·ÖÑ¡ºóϸ°û¿É×ö½øÒ»²½ÉúÎïѧÑо¿È絥ϸ°û²âÐòµÈ¡£¡£¡£

¾ß±¸ÍêÈ«×Ô¶¯»¯µÄ¼¤¹âÊø¹âÖáµ÷ÀíÒÔ¼°Ï¸°û·ÖÑ¡µç×Ó¼ÆÊ±¹¦Ð§£¬£¬£¬£¬ÎÞÐèרҵ²Ù×÷Õß¾ÙÐÐÖØ´óµÄÉèÖú͵÷½â¡£¡£¡£ÉèÖñã½Ý£¬£¬£¬£¬¿ÉÒÔÏÔÖøµØÌá¸ßÑо¿Ö°Ô±µÄÊÂÇéЧÂÊ£»£»£»£»£»£»
½ÓÄÉÐÂÑз¢µÄËÜÁÏϸ°û·ÖѡоƬ£¬£¬£¬£¬¿Éƾ֤´ý²âϸ°ûµÄÀàÐͼ°¾Þϸ¶øÑ¡Ôñ²î±ðÅç×ìÖ±¾¶ÇÒÒ×ÓÚÌæ»»ºÍ×°ÖõÄоƬ£¬£¬£¬£¬Öª×ã²î±ðÏîÄ¿µÄÐèÇ󣻣»£»£»£»£»
Å䱸¾ßÓÐÓû§½Ó¿ÚµÄÈí¼þ£¬£¬£¬£¬Ò×ÓÚ²Ù×÷£¬£¬£¬£¬¿Í¹Û¶ø¸ßËٵضԸ÷¸öϸ°û¾ß±¸µÄÐÅÏ¢¾ÙÐÐÆÊÎö¡£¡£¡£





Ïà¹ØÐÂÎÅ